Skip to content

Phone: 0113 323 7793

Rated 4.8/5 for customer service

1-2 day express shipping

Queen's Award for Enterprise

ISO 9001 : 2025 certified

Description

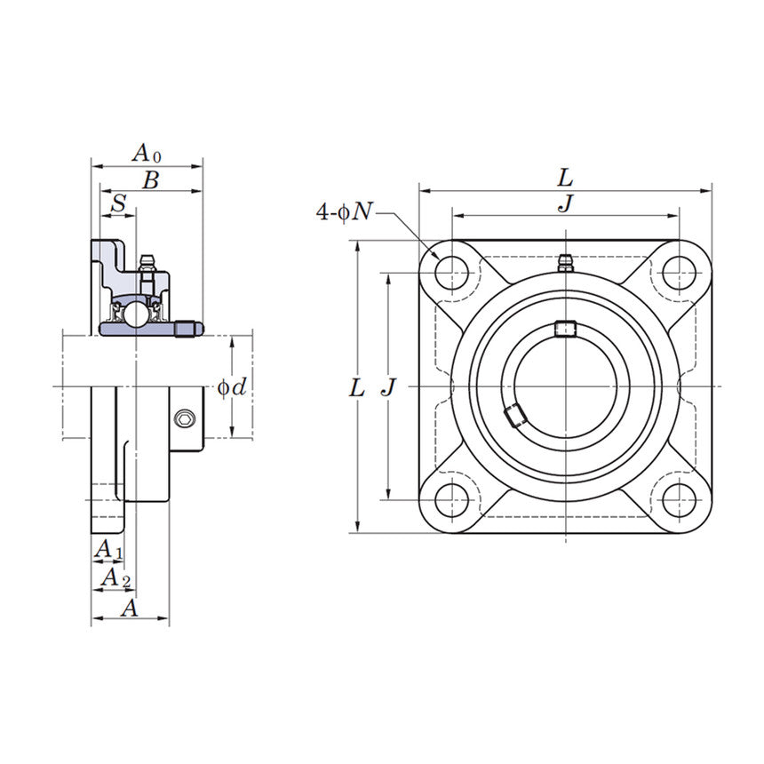
Discover the UCF201-8 from FYH, the perfect solution for your flanged assembly requirements. This Square Flanged Bearing Unit comes pre-lubricated and fitted with a sealed Bearing Insert for the highest durability and longevity. Crafted from high-quality cast iron, the UCF201-8 Unit boasts exceptional strength and reliability, making it suitable for a wide range of applications. This four-bolt flanged unit has hexagon socket set screws and a 1/2 Inch shaft diameter.

Key Features

Self-Aligning Ability

The convex shape of the Bearing Inserts outer ring along with the concave sphered shape inside the housing gives this UCF201-8 Square Flanged Unit the ability to self-align, adjust for shaft deviation, and reduce abnormal load.

Replaceable Inserts

The UCF201-8 Bearing Unit has a UC201-8 Bearing Insert which can be easily removed from the F204 housing and replaced. Other compatible inserts can be used in the same housing.

Smooth Operation

Fitted with a new sealed Bearing Insert and housing, the UCF201-8 ensures smooth operation, easy mounting, and high reliability, guaranteeing optimal performance in diverse environments.

Re-lubrication Capability

The UCF201-8 allows for effortless re-lubrication via the grease hole and a grease fitting, promoting smooth operation and prolonging the lifespan of the bearing assembly.

Versatile Industry Applications

These Flanged Housing Units are relied upon in many industries, including mining, agriculture, manufacturing and production, and industrial engineering.

Corrosion Protection

Constructed with a single cast housing piece, the UCF201-8 offers basic protection against corrosion, enhancing durability and longevity.

Product Information

SKU: ucf201-8-fyh Weight: 640 Availability: In Stock