UCF207-20E - FYH Square Flanged Bearing Unit - 1.1/4 Inch Inside Diameter
UCF207-20E - FYH Square Flanged Bearing Unit - 1.1/4 Inch Inside Diameter
-
Estimated delivery: Nov 05 - Nov 06
In stock
Couldn't load pickup availability
Description
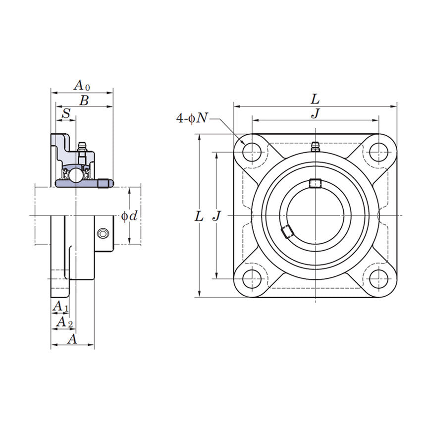
Discover the UCF207-20E from FYH, the perfect solution for your flanged assembly requirements. This Square Flanged Bearing Unit comes pre-lubricated and fitted with a sealed Bearing Insert for the highest durability and longevity. Crafted from high-quality cast iron, the UCF207-20E Unit boasts exceptional strength and reliability, making it suitable for a wide range of applications. This four-bolt flanged unit has hexagon socket set screws and a 1.1/4 Inch shaft diameter.
Key Features
Self-Aligning Ability
The convex shape of the Bearing Inserts outer ring along with the concave sphered shape inside the housing gives this UCF207-20E Square Flanged Unit the ability to self-align, adjust for shaft deviation, and reduce abnormal load.
Replaceable Inserts
The UCF207-20E Bearing Unit has a UC207-20 Bearing Insert which can be easily removed from the F207E housing and replaced. Other compatible inserts can be used in the same housing.
Smooth Operation
Fitted with a new sealed Bearing Insert and housing, the UCF207-20E ensures smooth operation, easy mounting, and high reliability, guaranteeing optimal performance in diverse environments.
Re-lubrication Capability
The UCF207-20E allows for effortless re-lubrication via the grease hole and a grease fitting, promoting smooth operation and prolonging the lifespan of the bearing assembly.
Versatile Industry Applications
These Flanged Housing Units are relied upon in many industries, including mining, agriculture, manufacturing and production, and industrial engineering.
Corrosion Protection
Constructed with a single cast housing piece, the UCF207-20E offers basic protection against corrosion, enhancing durability and longevity.
Product Information
Technical Data
We have one of the largest online stocks of bearings, maintenance tools and lubricants available online anywhere in the UK, and we take pride in great customer service, superb products, and express delivery within 1-2 working days. If you have any specific delivery requirements call our sales team on 0113 323 7793 or contact us here and we will be happy to help you.
Mainland UK - 1-2 Day Express Shipping Service
Free Next Day Delivery On orders over £50.00
- Express 1-2 Day Service (Orders under £50.00) - £6.00 + VAT
- Guaranteed Next Working Day Delivery (if ordered before 3pm) - £12.00 + VAT
- Next Working Day, Pre 12 Delivery - £16.00 + VAT
- Saturday AM Delivery - £50.00 + VAT
All orders must be placed before 3pm to qualify for guarantee next day delivery. Orders placed after 3pm on a Friday will be dispatched on Monday.
Scottish Highlands, Scottish Islands, Isle of Wight and Isle of Man, Northern Ireland - 2-3 Day Shipping
- Express 2-3 Day Service - £50.00 + VAT
Any orders placed after 3pm will be dispatched the next working day. Orders placed after 3pm on a Friday will be dispatched on Monday.
Spare Parts
Below are the description and part numbers to the additional spare parts you can purchase with your product.

