UCFLX07-22 - FYH Oval Flanged Bearing Unit - 1.3/8 Inch Inside Diameter
UCFLX07-22 - FYH Oval Flanged Bearing Unit - 1.3/8 Inch Inside Diameter
-
Estimated delivery: Nov 04 - Nov 05
In stock
Couldn't load pickup availability
Description
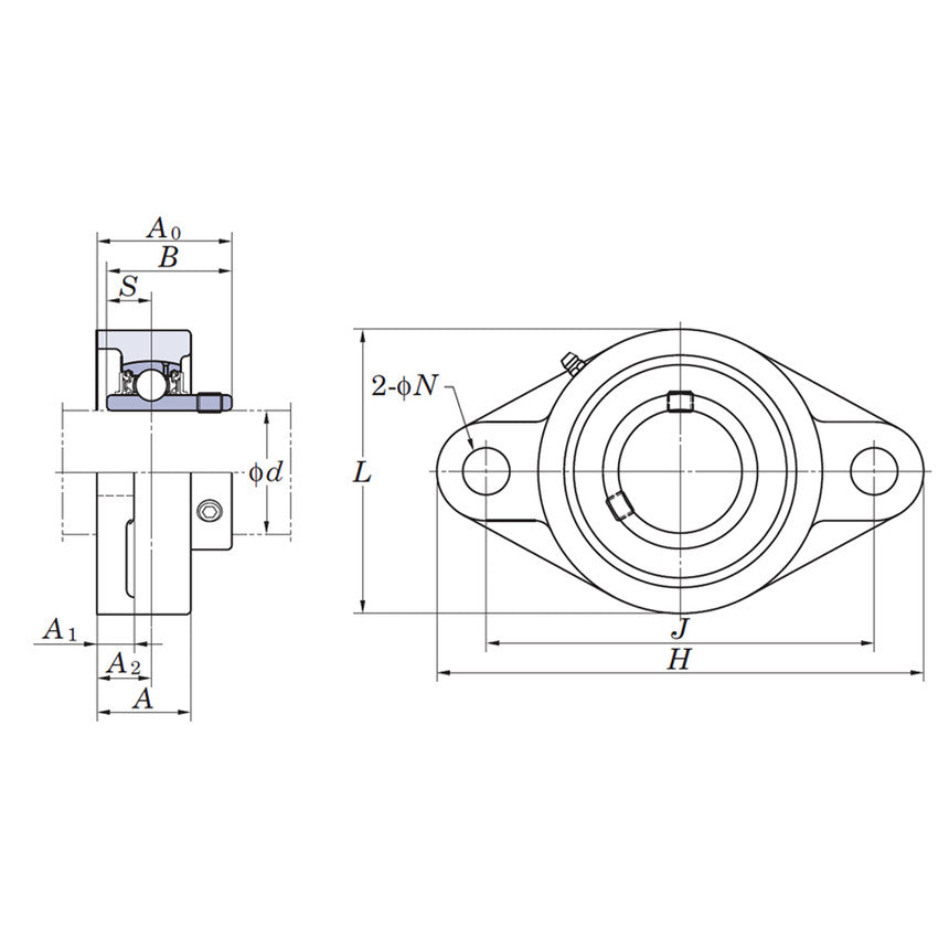
Discover the UCFLX07-22 from FYH, the perfect solution for your flanged assembly requirements. This Oval Flanged Bearing Unit comes pre-lubricated and fitted with a sealed Bearing Insert for the highest durability and longevity. Crafted from high-quality cast iron, the UCFLX07-22 Unit boasts exceptional strength and reliability, making it suitable for a wide range of applications. This medium duty two-bolt flanged unit has hexagon socket set screws and a 1.3/8 Inch shaft diamter.
Key Features
Replaceable Inserts
The UCFLX07-22 Bearing Unit has a UCX07-22 Bearing Insert which can be easily removed from the FLX07 housing and replaced. Other compatible inserts can be used in the same housing.
Smooth Operation
Fitted with a new sealed Bearing Insert and housing, the UCFLX07-22 ensures smooth operation, easy mounting, and high reliability, guaranteeing optimal performance in diverse environments.
Self-Aligning Ability
The convex shape of the Bearing Inserts outer ring along with the concave sphered shape inside the housing gives this UCFLX07-22 Oval Flanged Unit the ability to self-align, adjust for shaft deviation, and reduce abnormal load.
Corrosion Protection
Constructed with a single cast housing piece, the UCFLX07-22 offers basic protection against corrosion, enhancing durability and longevity.
Re-lubrication Capability
The UCFLX07-22 allows for effortless re-lubrication via the grease hole and a grease fitting, promoting smooth operation and prolonging the lifespan of the bearing assembly.
Versatile Industry Applications
These Flanged Housing Units are relied upon in many industries, including mining, agriculture, manufacturing and production, and industrial engineering.
Product Information
Technical Data
We have one of the largest online stocks of bearings, maintenance tools and lubricants available online anywhere in the UK, and we take pride in great customer service, superb products, and express delivery within 1-2 working days. If you have any specific delivery requirements call our sales team on 0113 323 7793 or contact us here and we will be happy to help you.
Mainland UK - 1-2 Day Express Shipping Service
Free Next Day Delivery On orders over £50.00
- Express 1-2 Day Service (Orders under £50.00) - £6.00 + VAT
- Guaranteed Next Working Day Delivery (if ordered before 3pm) - £12.00 + VAT
- Next Working Day, Pre 12 Delivery - £16.00 + VAT
- Saturday AM Delivery - £50.00 + VAT
All orders must be placed before 3pm to qualify for guarantee next day delivery. Orders placed after 3pm on a Friday will be dispatched on Monday.
Scottish Highlands, Scottish Islands, Isle of Wight and Isle of Man, Northern Ireland - 2-3 Day Shipping
- Express 2-3 Day Service - £50.00 + VAT
Any orders placed after 3pm will be dispatched the next working day. Orders placed after 3pm on a Friday will be dispatched on Monday.
Spare Parts
Below are the description and part numbers to the additional spare parts you can purchase with your product.

